Запасные части ЧТЗ Запасные части ЧТЗ
Сургут
Например:
Актобе
Алдан
или
Выбрать автоматически
Актобе
Алдан
Алматы
Алчевск
Архангельск
Астана
Астрахань
Атырау
Баку
Балашиха
Барнаул
Белгород
Бердянск
Бишкек
Владивосток
Владикавказ
Воркута
Воронеж
Горловка
Грозный
Донецк
Екатеринбург
Иваново
Ижевск
Иркутск
Казань
Калининград
Каменск-Уральский
Караганда
Каховка
Кемерово
Киров
Комсомольск-на-Амуре
Костанай
Краснодар
Красноярск
Красный луч
Ленск
Луганск
Магадан
Магнитогорск
Макеевка
Махачкала
Мелитополь
Минск
Мирный (Якутия)
Москва
Мурманск
Нерюнгри
Нижневартовск
Нижний Новгород
Нижний Тагил
Новая каховка
Новокузнецк
Новосибирск
Новый Уренгой
Норильск
Ноябрьск
Нур-Султан
Омск
Оренбург
Ош
Павлодар
Пермь
Петрозаводск
Петропавловск
Петропавловск-Камчатский
Псков
Ростов-на-Дону
Салехард
Самара
Санкт-Петербург
Саратов
Севастополь
Семей
Симферополь
Сочи
Ставрополь
Сургут
Сыктывкар
Тараз
Ташкент
Токмак
Томск
Тында
Тюмень
Ульяновск
Усинск
Усть-Каменогорск
Уфа
Хабаровск
Ханты-Мансийск
Херсон
Челябинск
Чита
Шымкент
Экибастуз
Энергодар
Южно-Сахалинск
Якутск
Ваш город
Сургут
Войти
Запасные части к тракторам на одном сайте
+7 (932) 303-00-10
+7 (932) 303-00-10
г. Сургут, ул. Сосновая, д. 12
Пн-Пт: 9:30-18:30 Cб-Вс: Выходной
Отправить заявку


Работомер механический на Т-170


/
с НДС 20%
Описание
Работомер механический Т-170
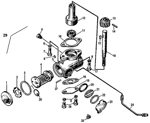
Поз. Номер по каталогу Наименование детали
0 16-72-105СП Валик
0 16-72-103СП Корпус
0 16-72-106СП Крышка
0 16-72-104СП Подшипник
1 16-72-6 Крышка
2 71137 Шайба
3 46105 Прокладка
4 СМЧ-130Э Счетчик моточасов
5 16-72-5 Корпус
6 700-32-2182 Штифт
7 28481 Болт
8 8Т 65Г 09 Шайба
9 41242 Штуцер
10 40989 Прокладка
11 1.2-13х28-2 Манжета
12 71128-01 Корпус
13 71163 Шестерня
14 32256 Штифт
15 341 Шпонка
16 16-72-4 Валик
17 М8х25.88.019 Болт
18 40999 Прокладка
19 71134 Фланец
20 40998 Прокладка
21 71132 Стекло
22 71133 Ободок
23 71124СП Крышка
24 16-72-107СП Трубка
25 38351 Пружина
26 М8х16.58.019 Болт
27 32238 Штифт
28 5721 Отражатель
29Работомер 16-72-1СП
Работомер механический